Wenzhou Joepai Valve Co., Ltd.
Wenzhou Joepai Valve Co., Ltd.
Productos

Productos

Válvula de mariposa de señal de extinción de incendios de hierro dúctil
  • Válvula de mariposa de señal de extinción de incendios de hierro dúctilVálvula de mariposa de señal de extinción de incendios de hierro dúctil
  • Válvula de mariposa de señal de extinción de incendios de hierro dúctilVálvula de mariposa de señal de extinción de incendios de hierro dúctil

Válvula de mariposa de señal de extinción de incendios de hierro dúctil

La válvula de mariposa de señal de extinción de incendios de hierro dúctil proporcionada por Joepai ofrece un rendimiento excepcional en sistemas de protección contra incendios comerciales e industriales, con una construcción robusta de hierro dúctil con revestimiento epoxi resistente a la corrosión. Estas válvulas de mariposa contra incendios integran un dispositivo de señal eléctrica avanzado que transmite el estado de la posición de la válvula en tiempo real a los paneles de control de incendios, lo que garantiza la capacidad de monitoreo inmediato del sistema. Las válvulas de hierro dúctil se han implementado con éxito en complejos hospitalarios, centros de datos y proyectos de edificios de gran altura en los mercados europeos y asiáticos.

La válvula de mariposa de señal de extinción de incendios de hierro dúctil JOEPAI representa la integración de la tecnología de control de flujo tradicional con capacidades de monitoreo modernas para sistemas integrales de protección contra incendios. Estas válvulas de mariposa de señal contra incendios cuentan con una construcción robusta de hierro dúctil con una resistencia superior a la corrosión, lo que hace que las válvulas de mariposa de señal sean adecuadas para aplicaciones exigentes en diversas condiciones ambientales. Las válvulas de hierro dúctil incorporan un dispositivo de señalización eléctrica avanzado que proporciona el estado de la posición de la válvula en tiempo real a los paneles centrales de control de incendios, lo que garantiza un monitoreo y verificación inmediatos del sistema. Diseñadas con un perfil compacto y una construcción liviana, las válvulas de mariposa contra incendios facilitan una instalación sencilla al tiempo que mantienen una durabilidad excepcional y una larga vida útil. El diseño innovador de estas válvulas de mariposa de señal combina un rendimiento confiable con capacidades de monitoreo inteligente, creando una solución óptima para los requisitos modernos de protección contra incendios.

Características

1.El tamaño pequeño y el peso liviano facilitan la instalación y el mantenimiento. También se puede instalar donde sea necesario;

2. Construcción simple y compacta, operación de encendido y apagado rápido de 90 grados;

3.Par de funcionamiento minimizado, ahorro de energía;

4.Excelente rendimiento de regulación y larga vida útil;

5.Puede usarse para diversos medios;

6. Puede usarse como dispositivo de acondicionamiento y cierre en una variedad de líneas y recipientes de gases corrosivos, no corrosivos, líquidos, semifluidos y de polvo sólido;

7.Es adecuado para sistemas como el petróleo, la industria química, los productos alimenticios, la medicina, la fabricación de papel, el suministro de agua, etc.

8.Curva de flujo que tiende a la línea recta, excelente rendimiento de regulación.

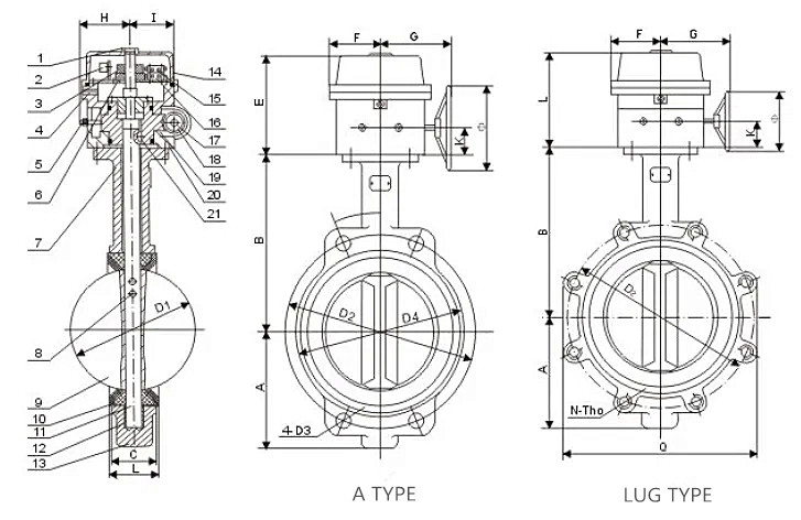
Datos técnicos principales

Tamaño: DN50-DN300 (2"-12")

Presión nominal: PN1.0-1.6MPa

Temperatura de trabajo: 15-150°C

Medio: agua dulce, aguas residuales, agua de mar, aire, vapor, alimentos, albóndigas, etc.

Capacidad del microinterruptor: CA, 220 V, 1 A; CC, 30 V, 0,5 A

Material disponible: hierro dúctil, hierro fundido, acero inoxidable, acero al carbono, bronce alamino

Ductile Iron Fire Fighting Signal Butterfly Valve

Ductile Iron Fire Fighting Signal Butterfly Valve

Ductile Iron Fire Fighting Signal Butterfly Valve

Presión y temperatura

presión de trabajo

PN10, PN16

presión de prueba

carcasa: 1,5 veces la presión nominal

asiento: 1,1 veces la presión nominal

temperatura de trabajo

-10 °C a 80 °C (NBR)

-10 °C a 120 °C (EPDM)

medios adecuados

agua, petróleo y gas

Lista de materiales principales

regiones

material

cuerpo

hierro fundido, hierro dúctil,

asiento

EPDM, NBR, VITON, PTFE

desct

Hierro dúctil de níquel, bronce AI, acero inoxidable

provenir

acero al carbono, acero inoxidable

cojinete

PTFE

anillo "O"

PTFE

alfiler

acero inoxidable

llave

acero inoxidable

 Estándar Ejecutivo:

Estándar de diseño

EN 593, MSS SP67 API 609 BS5155

Inspección y prueba

API 598 ISO 5208 EN 12266

Estándar final

ANSI B16.1CL. 125 LB y B16,5 CL. 150 libras

AS 2129 Tabla D y E   BS 10 Tabla D y E

DIN 2501 PN6, PN10 y PN16

EN 1092 PN6, PN10 y PN16

ISO 2531 PN6, PN10 y PN16

ISO 7005 PN6, PN10 y PN16

KS B 1511 / JIS B 2210 5K y 10K

MSS SP44 CL. 150 libras  AWWAC207

SABS 1123 Tabla 1000/3 y Tabla 1600/3

Cara a cara

ISO 5752, EN 558, MSS SP67 y API 609  DIN3202

Brida superior

ISO 5211

Ductile Iron Fire Fighting Signal Butterfly Valve


Etiquetas calientes: Válvula de mariposa de señal de extinción de incendios de hierro dúctil
Enviar Consulta
Datos de contacto
  • DIRECCIÓN

    Edificio 2, No. 4228, Binhai 3rd Road, Xinghai Street, distrito de Longwan, ciudad de Wenzhou, provincia de Zhejiang, China

  • Teléfono

    +86-19957707725

  • Correo electrónico

    sales@joepaivalve.com

Para consultas sobre válvulas de bola, válvulas de compuerta, válvulas de globo o lista de precios, deje su correo electrónico y nos pondremos en contacto dentro de las 24 horas.
X
Utilizamos cookies para ofrecerle una mejor experiencia de navegación, analizar el tráfico del sitio y personalizar el contenido. Al utilizar este sitio, acepta nuestro uso de cookies. política de privacidad
Rechazar Aceptar