Wenzhou Joepai Valve Co., Ltd.
Wenzhou Joepai Valve Co., Ltd.
Noticias

Noticias

JOEPAI lanza nuevas válvulas rentables para hidrantes contra incendios de acero inoxidable 304: la resistencia superior a la corrosión cumple con los estándares AS2419.2

2026-03-06 0 Déjame un mensaje

JOEPAIse enorgullece de presentar su última innovación en infraestructura de protección contra incendios: elNueva gama deVálvulas de boca de incendios de acero inoxidable 304. Diseñadas para brindar durabilidad, cumplimiento y valor, estas válvulas ofrecen unaalternativa superior a los modelos tradicionales de latón—ofreciendo una mayor resistencia a la corrosión a un precio más competitivo.

Diseñado de acuerdo conAS/NZS 2419.2:2009, las nuevas válvulas para hidrantes son ideales para una amplia gama de aplicaciones, incluidos sistemas contra incendios comerciales, industriales y residenciales, particularmente enAmbientes agresivos como marinos y mineros..


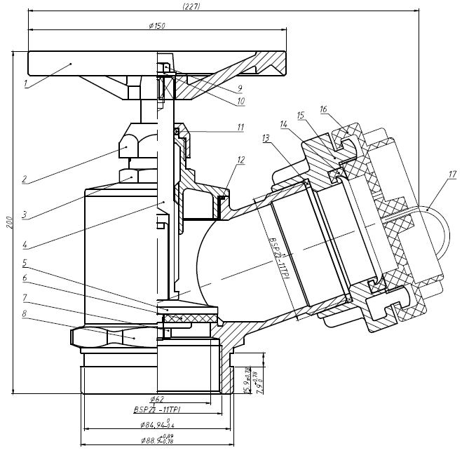
Stainless Steel 304 Fire Hydrant Valves

Aspectos destacados del producto:

Tipo de hilo: Adaptador Storz forjado BSP en ángulo de 65 mm con tapa de plástico UV

Tipo de entrada: Ranurado por laminación de 80 mm

Grado del material: Cuerpo, Bonete, Disco, Tuerca en CF8 (SS304); Vástago en SS316 para mayor resistencia.

Material del sello: Caucho NBR para un rendimiento confiable a prueba de fugas

Volante: Hierro fundido duradero HT200

Finalizar: Revestimiento pintado de rojo de alta visibilidad

Presión de trabajo: 1.400 kPa

Presión de prueba hidrostática: 2.700 kPa

Presión de prueba de estanqueidad al aire: 800kPa

Garantía: 12 meses


Cumplimiento técnico:

Diseñado y probado paraAS2419.2-2009

Funcionamiento suave del volante sin atascos después del montaje.

100 % inspeccionado y probado: sin defectos después de las pruebas hidrostáticas y de estanqueidad


¿Por qué elegir SS304 en lugar de latón?

Mejor resistencia a la corrosión: Ideal para entornos hostiles donde el latón puede degradarse con el tiempo

Rentable: Ofrece una solución más asequible sin comprometer la calidad o el rendimiento

Ligero pero fuerte: Más fácil de manejar e instalar manteniendo la integridad estructural


Otras configuraciones disponibles:

Macho NSW de 65 mm x ranurado por laminación de 80 mm

Macho CFA de 65 mm x ranurado por laminación de 80 mm

QRT macho de 65 mm x BSP macho de 65 mm

Ranurado por laminación de 65 mm BI x 80 mm

QRT macho de 65 mm x ranurado por rollo de 80 mm

Adaptador Storz de 65 mm x BSP macho de 65 mm

Ya sea que esté actualizando un sistema existente o especificando un nuevo proyecto, las nuevas válvulas para hidrantes SS304 de JOEPAI ofrecen laequilibrio perfecto entre rendimiento, cumplimiento y asequibilidad.

Contáctenos hoypara obtener más información o solicitar una cotización.

Noticias relacionadas
Déjame un mensaje
X
Utilizamos cookies para ofrecerle una mejor experiencia de navegación, analizar el tráfico del sitio y personalizar el contenido. Al utilizar este sitio, acepta nuestro uso de cookies. política de privacidad
Rechazar Aceptar